华体会(中国)-华体会(中国) 华体会网页版登录入口 政策法规 产业市场 节能技术 能源信息 宏观环境 会议会展 活动图库 资料下载 焦点专题 智囊团 企业库
节能技术  中国节能产业网 >> 节能技术 >> 工业节能 >> 正文
电机节能控制器的电路设计与技术分析
来源:中国节能产业网 时间:2009-3-9 23:58:34 用手机浏览

  3 硬件设计

  本控制器主要由3部分组成:可控硅及移相触发电路部分,接收控制板的控制信号,实施交流电压的调节;信号检测板部分,接收传感器的信号并进行处理,得到标准电压和电流的有效值及功率因数有送控制板;单片机控制板部分,接收信号检测板的信号,通过控制运算发出控制信号到移相触发电路,实施最佳功率因数控制,同时控制板还通过键盘显示面板对控制器参数进行修改,并显示控制器运行状态。

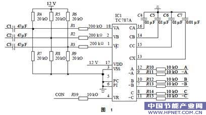
  可控硅及移触发电路部分TC787芯片的基本连接如图1所示。

  从同步变压器来的三相过零信号经C1、C2、C3电容耦合到6V的直流信号上送入18、2、1脚。TC787对其进行过零检测,经积分电容C4、C5、C6形成以过零点为起点的三角波,与由VR引入的触发控制信号比较,再经C7调制成触发脉冲,由12、9、10、7、8、11脚输出,由脉冲变压器驱动可控硅。

  信号检测板部分标准电压和电流的有效值转换电路如图2所示。

  此电路基于基本的绝对值电路,增加了滤波电容C1,将交流信号的绝对值变为平均值;合理设计R5的阻值,将平均值变为有效值。

  相位检测电路如图3所示。

  电压信号VA和电流信号IA经与微电平信号REF比较,取得电压和电流信号的正半周;经RC滤波后由信号“或”电路,形成含有功率因数角的信号;由单片机去除其中的电压半周期,即得功率因数角。

  单片机控制板部分基本电路如图4所示。

  TLC0834是4路8位A/D转换器,采集1路电压和3路电流信号;TLC5615是10位串行D/A,将控制量变为模拟电压信号,去控制可控硅交流调压;X25045是含WDT和EEPROM的多功能电路,负责单片机系统的安全监视和重要参数的保护;SN75176是RS485接口,实现连网监控。

上一页  [1] [2] [3] 下一页


分享到:
相关文章 iTAG:
国家重点推广的电机节能先进技术目录(第一批)
新疆玛北油田采用永磁同步电机实施EMC节能改造
LED光源照明设计需要注意的技术细节
新型节能照明电源的控制IC技术分析
双向可控硅的节能设计及应用分析
相控电机节电器的技术优势与适用
什么是晶闸管 可控硅的应用
什么是可控硅 有何作用
频道推荐
服务中心
微信公众号

CESI
关于本站
版权声明
广告投放
网站帮助
联系我们
网站服务
会员服务
最新项目
资金服务
园区招商
展会合作
中国节能产业网是以互联网+节能为核心构建的线上线下相结合的一站式节能服务平台。
©2007-2016 CHINA-ESI.COM
鄂ICP备16002099号
节能QQ群:39847109
顶部客服微信二维码底部
扫描二维码关注官方公众微信