华体会(中国)-华体会(中国) 华体会网页版登录入口 政策法规 产业市场 节能技术 能源信息 宏观环境 会议会展 活动图库 资料下载 焦点专题 智囊团 企业库
节能技术  中国节能产业网 >> 节能技术 >> 工业节能 >> 正文
低压软启动器选用时应注意的问题
来源:中国节能产业网 时间:2007-5-29 14:03:40 用手机浏览

  软启动器以体积小,转矩可以调节、启动平稳冲击小并具有软停机功能等优点得到了越来越多的应用,大有取代传统的自耦减压、星-角等启动器的趋势。由于软启动器是近年来新发展起来的启动设备,在设计、安装、调试和使用方面还缺少指导性的规范与规程。我们在软启动器的安装、调试工作中也遇到了一些实际技术问题。例如:不同启动负载软启动器的选型、软启动冲击电流与过流保护定值的配合、软启动设备容量与变压器容量的关系等问题。

  1、软启动器简介

  目前,市场上常见的软启动器主要有电子式、磁控式和自动液体电阻式等类型。电子式以晶闸管调压式为多数。变频器在某种意义上也是一种软启动器,而且是能够真正地实现软启动的启动器,只是造价要高些。

  晶闸管式软启动器是串接在电源与电动机之间的三组正反向并联的晶闸管,通过微电脑控制触发导通角实现交流调压。晶闸管式软启动器的启动方式有斜坡电压型、突跳加斜坡电压型和限流型等可供选择。

  磁控式软启动器是利用磁放大器原理制造的串联在电源和电动机之间的三相饱和电抗器构成的软启动装置。启动时通过数字控制板调节磁放大器控制绕组的激磁电流,改变饱和电抗器的电抗值调节启动电压降,实现电动机软启动。

  不论晶闸管式软启动器还是磁控式软启动器在启动时只能调节输出电压,达到控制启动时的电压降、限制启动电流的目的。一般的软启动器不能调节电源频率,也就不能象变频器那样从零频零压开始启动电动机,实现无冲击启动。实际上软启动器在启动设备时还是要产生一定的冲击电流的;斜坡电压型控制软启动器的启动时的电压、电流变化曲线见图1所示。晶闸管式软启动器采用斜坡电压启动时,开始时要使软启动器输出一个初始电压(初始电压在80~280V之间可以调节),使电动机产生足以克服机械设备的静摩擦的初始转矩,拖动设备开始转动,启动电流为Is。在微电脑的控制下,继续增加输出电压使电动机加速。当软启动器的输出电压接近额定电压时,电动机就已达到额定转速,Is降为负荷电流In。启动时间t1结束时,软启动器输出额定电压并发出旁路信号,使旁路接触器闭合,软启动器停止输出电压,电动机转入正常运行。软启动的初始转矩可以通过给定初始电压和启动时间进行调节,控制启动电流在2~4.5倍电动机额定电流以内。

  低压软启动器的停车方式主要有自由停车,软停车,制动停车三种。传统的电动机停车方式常用自由停车,但有许多应用场合,自由停车会产生很大问题,如高层建筑的水泵系统,如果采用自由停车,会产生巨大的“水锤”效应,使管道、水泵损坏。因此利用软停车可以消除自由停车带来的这种反惯性冲击。在停车时刻t2发出停车指令,电动机的端子电压从Un缓慢下降,在电压下降瞬间电动机电流会有一个小的电流冲击,然后电动机电流会随电压的下降而下降,直至电动机停下来。

  2、低压软启动器选用时应注意的问题

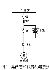
  2.1低压软启动柜电气接线与元件排列

  一般低压软启动柜的电气接线如图2所示。柜内电气元件按图示顺序排列,作到主接线简短不交叉,便于铜排连接。软启动器安装在接触器的右侧不受其他元件发热的影响。软启动器与控制柜边壁及其他元件间距要求≥100mm,方便软启动器散热。

  2.2软启动器选型

  除了技术、性能、价格比较外,还要考虑设备现场的电网容量、设备启动负荷轻重、启动频繁程度等具体条件。

  对于水泵类启动负载较轻的设备,可选择功能简单、价格较低、操作方便的软启动器。这类设备根据电动机额定功率,选用规定的相同容量的软启动器就能满足需要。对于大型风机、破碎机等启动负荷比较重的设备,应该选用启动功能比较多、有限流启动功能、自身保护比较齐全的软启动器。尤其功率比较大的设备(200KW以上),最好选用启动功能比较全的高性能软启动器。

  2.3隔离器和熔断器选择

  软启动柜中的隔离电器,可以选用隔离开关也可以选用具有隔离功能的塑壳断路器。小功率软启动柜宜选用隔离开关熔断器组合的刀熔开关。不但起到隔离保护作用,还可以降低工程造价。隔离开关的额定电流大于电动机额定电流就可以满足运行要求。

  由于软启动器中晶闸管的浪涌焦耳积分(I2t)值有限,选用断路器做短路保护装置不能有效保护晶闸管元件。建议选用快速熔断器做短路保护装置。快速熔断器可选用aR或NGT型半导体保护熔断器。选用快速熔断器一般不用做分断能力校验,因为aR型熔断器的额定分断能力为50KA,NGT快速熔断器的分断能力为120KA,能够满足一般配电工程需要。另外熔断器还有限流功能,对晶闸管的保护要比断路器可靠。

  快速熔断器的额定电流的选用原则是设备启动时不会熔断,设备安装处发生最小短路电流时必须可靠熔断。具体选用时可根据设备的负荷性质和电动机的启动电流,查阅熔断器制造厂提供的熔断器时间—电流特性曲线、I2t值及晶闸管的I2t值进行计算选择。在缺少上述资料时也可按下述经验公式计算选用:

  Ifn≥(1.8~2.0)*Ie(A)

  Ifn—快速熔断器额定电流(A)

  Ie—电动机额定电流(A)

  2.4旁路接触器的选择

  软启动结束时电动机已在额定电压上运行,所以按电动机的额定电流选用交流接触器就能满足要求。要注意的是在配柜接线时,作到软启动器与接触器同相连接,不要接错相序。

  2.5过负荷保护装置的选择

  软启动装置的过负荷保护装置应该选用具有过载保护、断相保护和温度补偿功能的热过载继电器。具体选用时,要使电动机的工作电流在热元件整定电流范围以内。工作时容易过载的设备,要使电动机的额定电流值靠近热元件整定电流范围的下限。

  2.6变压器负载能力及保护整定值校验

  在软启动装置选用时除注意上述要求外,还要注意为设备供电的变压器的负载能力。如果事前变压器已接近满载,要慎重选用软启动设备。尤其是要增设功率比较大的设备时,更要核对校验变压器的荷载能力和保护的整定值;

  增加软启动设备后,变压器二次侧断路器的短路短延时脱扣器的整定值Ir2为:

  Ir2≥1.1(IL+1.35*K*Ie) A

  式中:IL—变压器正常运行时的负荷电流 A

  K—新增加软启动设备的启动电流与电动机额定电流的比值(见表1);

  Ie—新增加电动机的额定电流 A。

  计算出的Ir2应小于变压器二次侧断路器现在的实际短路短延时脱扣器的整定值;否则,在新增加设备启动时,变压器二次侧断路器要分断跳闸。造成软启动器选用失败。

表1典型设备软启动效果及启动电流参考值

应用机械类型

选用功能

执行的功能

启动电流(%)

启动时间(秒)

离心泵

标准启动

减少冲击,消除水锤

300

5~15

螺杆式压缩机

标准启动

减少冲击,延长机械寿命

300

3~20

离心式压缩机

标准启动

减少冲击,延长机械寿命

350

10~40

活塞式压缩机

标准启动

减少冲击,延长机械寿命

350

5~10

传送带运输机

标准+突跳

启动平稳,减少冲击

300

3~10

风机

标准启动

减少冲击,延长机械寿命

300

10~40

搅拌机

标准启动

降低启动电流

350

5~20

磨粉机

重载启动

降低启动电流

450

5~60

  3、典型应用

  例:某市第二热源厂新增四台250KW循环泵,两台工作两台备用,变压器容量1250kVA,10/0.4kV,为降低电机启动电流及避免增容投资过大,我们根据用户要求采用软启动器。由于该负荷为水泵类,启动不是很频繁,所以采用性价比较优的SS2-250型软启动器。隔离开关采用HD17-630/3,熔断器采用NT4-1250A,旁路接触器采用CJ29-500/3,热继电器采用JRS2-630/3。两年来运行正常,能够很好的满足用户要求。

  4、调整与试车

  软启动控制柜安装完成后要进行认真地检查。按设计图纸核对接线是否正确,连接是否可靠。因为晶闸管等电子器件不允许做绝缘电阻测试,所以只能用数字万用表高阻档检查软启动器中晶闸管的绝缘情况。新的软启动器(冷态时)每组晶闸管输入输出端子间测量电阻值应指示1.3MΩ左右,相间(相间未接控制回路时)、相对地测量电阻值应该指示无穷大。检查确认无误后,在软启动器输出端接上一台小功率电动机并设定启动方式、初始电压、启动时间和停机时间等技术参数。在电动机与软启动器连接前,必须用500V绝缘电阻测试器检查电动机和电缆的绝缘状态。只有绝缘电阻符合有关规定,才准许将电动机连接到软启动器输出端进行启动试验。第一次软启动前要对机械进行人力盘车,检查机械有无“卡堵”现象,然后进行设备启动试验并调节好启动参数后,就可以交付使用了。

  总之,软启动器启动转矩大而且可以调节、设备启动时间短、有软停机功能、元件少维修量小,能够完成比较困难的设备的启动,是性能比较好的电动机启动控制设备,应该得到推广应用。


分享到:
相关文章 iTAG:
什么是电机软启动器及功能与应用
电机软启动控制器的节能研究
高压电机软启动的方法
电机软起动控制系统中功率因数角的研究
软启动器应用基础知识
电机启动的几种方式
软启动和变频器的区别有哪些?
频道推荐
服务中心
微信公众号

CESI
关于本站
版权声明
广告投放
网站帮助
联系我们
网站服务
会员服务
最新项目
资金服务
园区招商
展会合作
中国节能产业网是以互联网+节能为核心构建的线上线下相结合的一站式节能服务平台。
©2007-2016 CHINA-ESI.COM
鄂ICP备16002099号
节能QQ群:39847109
顶部客服微信二维码底部
扫描二维码关注官方公众微信